styleSMART

El sistema styleSMART es un programa de 100mm. de espesor exclusivamente doble con la peculiaridad que los vidrios y los paneles son estructurales. El cristal y los paneles no se ahogan en ningún perfil y los cuatro lados quedan a la vista. Todos los elementos son factibles de quedar enrasados tanto por la cara de dentro como en la de fuera consiguiendo la planitud total en las mamparas divisorias. El sistema de doble vidrio permite vidrios de 10 y 12 mm, y en elementos ciegos paneles de 13,16 y 19mm. Debido a la ausencia de gomas para la fijación de los elementos no existe ninguna holgura de fijación y tanto los paneles como los vidrios eliminan el pandeo típico de estos sistemas dando la consistencia de un muro. Los módulos de puerta se resuelven por medio de marco de aluminio con goma acústica y hojas de puerta que pueden ser tanto de 40mm. como de 100mm. de espesor, además es 100% compatible con el sistema StyleDOOR beneficiándose de todas las ventajas que ello brinda.

Características del sistema:
Espesor: 100mm.
Vidrios: De 10mm. a 12mm.
Ciegos: de 13mm. a 19mm.
Acristalamiento: Doble Estructural.
Marcos: Continuo y enmarcado.
Acústica: Hasta 40dB-ISO717
Resitencia: 400Kn/m2.
Hmax: 4000mm.
Modulación económica: 1200mm.
Holgura: +/-30mm.
Desontabilidad = 100%
Reutilizable = 100%

Mampara StyleSmart con doble vidrio laminar

Mamparas divisorias para oficina de 100mm: styleSMART

En este apartado encontraras toda la información técnica de los mamparas divisorias de oficina que necesitas para entender las múltiples soluciones que aporta el sistema styleSMART a sus espacios.

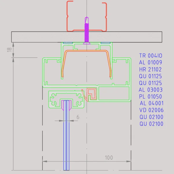
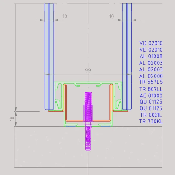
Encuentros de mamparas divisorias de oficina con suelos y techos.

styleSMART se fija a los techos y pisos por medio de perfil de aluminio y perfil de regulación de acero que permite salvar diferencias de alturas +/-30mm., lo que posibilita su desmontaje y reubicación en espacios con desniveles de hasta 60mm. Los perfiles están equipados de tesamol para garantizar el contacto con las superficies. styleSMART es un sistema que le permitirá llevarsela cuándo decidan mudar sus oficinas.

styleSMART sección sertical coronaciónstyleSMART sección vertical rodapiés

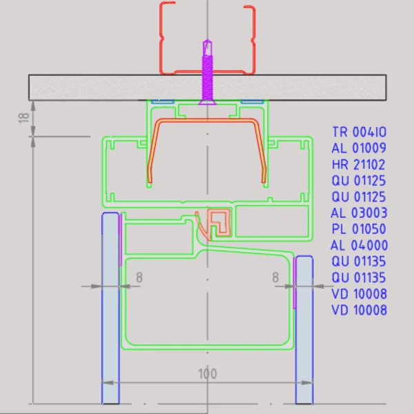
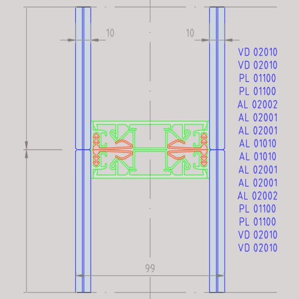
Encuentros verticales entre módulos de mamparas divisoria.

styleSMART une los cristales y tableros a hueso dejando 0mm. de junta entre acabados. Esta ingeniosa solución consiste en un sistema de cuelgue y en montantes verticales de clipado. Así se consiguen paredes de vidrio o madera 100% libres de perfilería convierto el muro en una piel continua. Con esta solución el polvo y las bacterías no tienen dónde depositarse siendo ideal para salas limpias.

styleSMART Sección Vertical CoronaciónstyleSMART Sección Vertical Coronación

Encuentros horizontales entre módulos de mamparas divisorias.

styleSMART es capaz de replicar la solución vertical en las horizontales pudiendo conseguir reticulas con proporciones perfectas, gracias al sistema de fijación de las ventanas estas se pueden poner a la altura deseada y en la cantidad que se necesite, también se pueden romper las proporciones para conseguir efectos de visualización caóticos como planos inclinados, curvados, etc.

styleSMART Sección Vertical CoronaciónstyleSMART Sección Vertical Coronación

Sistema mamparas divisorias de doble vidrio.

styleSMART alcanza niveles acústicos y térmicos máximos por medio del doble acristalamiento pudiendo jugar con diferentes espesores (10mm. y 12mm.), tipos (recocido, laminado, templado, acústico..) y acabados de cistal para alcanzar el aislamiento y la apariencia deseada.

styleSMART Sección Vertical CoronaciónstyleSMART Sección Vertical Coronación

Sistema ciegos y mixtos en mamparas divisorias.

styleSMART completa su gama de acabados con la capacidad de ser ciego con doble panel de melamina, estratificado, vinilo, tela, madera natural, etc. siendo 100% compatilbe con las diferentes configuraciones de vidrios e intercambiables entre ellos.

styleSMART Sección Vertical CoronaciónstyleSMART Sección Vertical Coronación

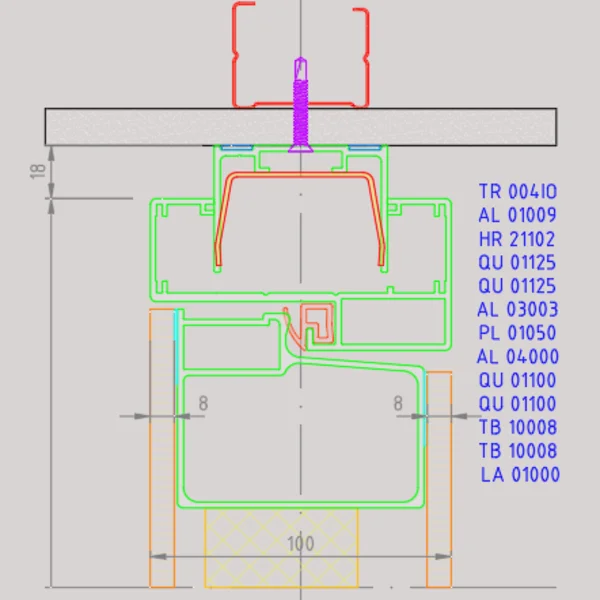
Sistema de puertas de vidrio integradas en mamparas.

styleSMART tiene su propio módulo de puerta compuesto por marco de 100mm. x 35mm. equipado de batiene isófonico dónde se pueden colgar hojas de puerta de vidrio templado, puertas con marco de aluminio y vidrio templado, puerta con marco de aluminio para doble acristaliento.

styleSMART Sección Vertical CoronaciónstyleSMART Sección Vertical Coronación

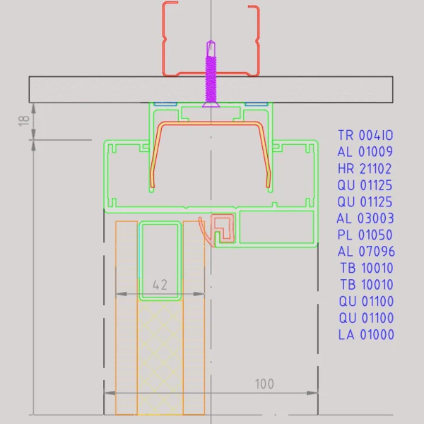
Sistema de puertas ciegas integradas en mamparas.

styleSMART puede intercambiar las hojas de puerta de vidrio por hojas ciegas en acabados a juego con las mamparas divisorias. Las hojas de puerta pueden ser de 42mm. de espesor o de 100mm. del mismo ancho que las mamparas divisorias.

styleSMART Sección Vertical CoronaciónstyleSMART Sección Vertical Coronación
Mamparas divisoria oficina StyleSMART 3D

Alzados de mamparas divisorias para oficina con styleSMART

Estos son algunos de los ejemplos de modulación que se pueden realizar con el programa de mamparas divisorias para oficinas styleSMART:

Alzados de mamparas divisorias para oficinas
styleVISION mamparas divisorias de vidrio y opacas desmontales de 100mm. styleSPACE mamparas divisorias de cristal y opacas desmontales de 50mm. styleSMARTmamparas divisorias de cristal y opacas estructural desmontales de 100M styleGLASS sistema de mamparas divisorias de vidrio de 50mm. styleDOOR sistema de puertas abatibles, correderas, pivotantes de 100mm. y 50mm. styleMOVE sistema de muros móviles y tabiques móviles