styleSPACE

El sitema styleSPACE es un programa de mamparas para oficina con un espesor de tan solo 50mm. Lo espectacular de esta medida es que se puede llegar a equipar con un vidrio de 10 a 12mm. centrado o lateral, doble cristal de 10 a 12mm., doble panel ciego de 10 o 13mm. en soluciones continuas (Uniones a hueso) y enmarcadas (Uniones con perfilería), igualando las características de sistemas más anchos. styleSPACE busca la relación más optima entre anchos de perfiles para encontrar la mejor estética y potenciar su adaptabilidad garantizando su desmontaje y reutilización. La reducción de espesores es un ahorro tanto de espacios como económico. styleSPACE se complementa con el sistema styleDOOR 50/50. para conseguir hojas de puerta alineadas tanto en la parte interior como exterior consiguiendo una total planitud de la pared y garantizando la misma apariencia y características técnicas en todo el muro. styleSPACE es un programa de mamparas para oficina polivalente que permite separar espacios en cualquier tipo de edificación, tanto de oficinas, hoteles, hospitales, colegios, aeropuertos...

Características del sistema:
Espesor: 50mm.
Vidrios: De 6mm. a 12mm.
Ciegos: de 10mm. a 12mm.
Acristalamiento: Sencillo y Doble.
Marcos: Continuo y enmarcado.
Acústica: Hasta 47dB-ISO717
Resitencia: 350Kn/m2.
Hmax: 4000mm.
Modulación económica: 1200mm.
Holgura: +/-30mm.
Desontabilidad = 100%
Reutilizable = 100%

Mampara StyleSpace con cristal senillo templado

Mamparas para oficina de 50mm: styleSPACE

En este apartado encontraras toda la información técnica de las mamparas para oficinas que necesitas para entender las múltiples soluciones que aporta el sistema styleSPACE a sus espacios.

Encuentros de mamaparas para oficinas con pisos y techos.

styleSPACE dispone de dos formas de fijarse a los techos y pisos: una con rodapié que nos permite salvar mayores diferencias de alturas +/-30mm. y otra con anclaje directo. +/-12mm., lógicamente de la elección dependerá el desmontaje y reutilización en las diferentes areas del epacio así como su impacto visual. Los perfiles están equipados de tesamol para garantizar el contacto con las superficies.

styleSPACE Sección Vertical CoronaciónstyleSPACE Sección Vertical Coronación

Encuentros verticales entre módulos de mamparas para oficina.

styleSPACE tiene la posibilidad de unir cristales a hueso o enmarcados con perfilería de 20mm. Así se consiguen paredes de vidrio 100% libres de perfiles o contruir la misma pared realizando cuadrículas, cortar la pared de vidrio en zonas estrategicas del diseño, salvar muros que arremeten contra la pared de manera perpendicular.
Todos los acabados se reciben al aluminio con material acústico.

styleSPACE Sección Vertical CoronaciónstyleSPACE Sección Vertical Coronación

Encuentros horizontales entre módulos de mamparas para oficina.

styleSPACE es capaz de replicar la solución vertical en las horizontales pudiendo conseguir reticulas con proporciones perfectas, gracias al sistema de fijación de la ventana estas se pueden poner a la altura deseada y en la cantidad que se necesite, tmabién se pueden romper las proporciones para conseguir efectos de visualización caóticas, inclinadas, curvadas...
Todos los acabados se reciben al aluminio con material acústico.

styleSPACE Sección Vertical CoronaciónstyleSPACE Sección Vertical Coronación

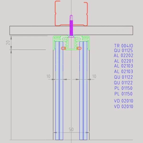
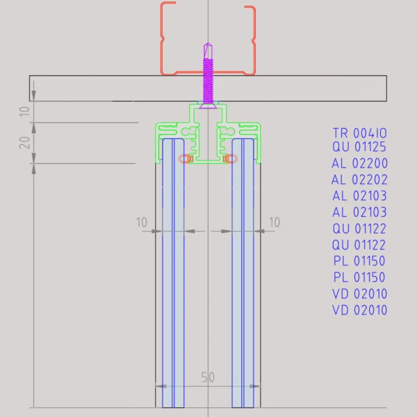
Sistemas de un vidrio en mamparas para oficina.

styleSPACE soporta sistemas de vidrio sencillo que van desde los 10mm a los 12mm. de espesor, de vidrio templado, vidrio laminado, cristales acústicos… con la posibilidad de presentarlo tanto en el centro del sistema como en un lateral de la pared para conseguir planitudes exteriores como interiores. Así en el mismo proyecto se pueden conseguir diferentes efectos de continuidad o escalamiento de los vidrios sobre las mamparas divisorias.

styleSPACESección Vertical CoronaciónstyleSPACE Sección Vertical Coronación

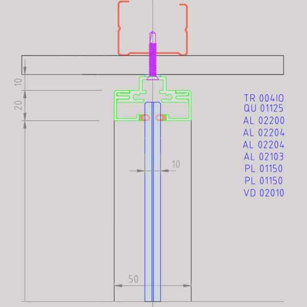
Sistemas de doble vidrio en mamparas para oficina.

styleSPACE esta es la tendencia del nuevo concepto de despacho alcanzando niveles acústicos y térmicos máximos por medio del doble acristalamiento y la cámara resultante pudiendo jugar con diferentes espesores (6mm, 8mm, 10mm. y 12mm.), tipos (recocido, laminado, templado, acústico...) y diferentes acabados de cristal (transparentes, tintados, pintados…) para alcanzar el aislamiento y la proyección deseada y requerida en la pared.

styleSPACE Sección Vertical CoronaciónstyleSPACE Sección Vertical Coronación

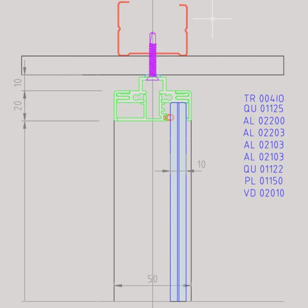
Sistemas ciegos y mixtos de mampara para oficina.

styleSPACE completa su enorme poder de transformación con la capacidad de ser ciego con doble paneles de melamina, estratificado, vinilo, tela, madera natural barnizada… siendo 100% compatible con las diferentes configuraciones de 1 vidrio y 2 vidrios e intercambiables entre ellos. Se puede intercalar entre vidrios, hacer alzados independientes… como dijimos en la presentación les invitamos a jugar a "Lego" y a retarnos con su imaginación.

styleSPACE Sección Vertical CoronaciónstyleSPACE Sección Vertical Coronación
Mamparas para oficinas StyleSPACE 3D

Ejemplos de alzados de mamparas para oficina con styleSPACE:

Estos son algunos de los ejemplos de modulación que se pueden realizar con el sistema de mamparas para oficina styleSPACE:

styleSPACE Sección Vertical Coronación
styleVISION mamparas divisorias de vidrio y opacas desmontales de 100mm. styleSPACE mamparas divisorias de cristal y opacas desmontales de 50mm. styleSMARTmamparas divisorias de cristal y opacas estructural desmontales de 100M styleGLASS sistema de mamparas divisorias de vidrio de 50mm. styleDOOR sistema de puertas abatibles, correderas, pivotantes de 100mm. y 50mm. styleMOVE sistema de muros móviles y tabiques móviles