styleVISION

El sistema styleVISION es un programa de mamparas oficina con un aire minimalista. En la fase de su diseño se hizo énfasis en la disminución de los espesores en los frentes de los perfiles no superando los 2cm. y resaltando la desmontabilidad y reutilización del sistema con diferencias de altura superiores a los 60mm. Estos requisitos fueron un reto de tecnología y diseño pues además soporta todas las configuraciones que se la puedan exigir tanto elementos transparentes con un vidrio de 6mm. a los 12mm., doble vidrio con espesores de los 6mm. a los 12mm. como elementos opacos de melamina, estratificados de alta densidad, telas, vinilos, madera natural... en soluciones continuas (Uniones a hueso) y enmarcadas (Uniones con perfiles), lo que facilita su configuración a cualquier diseño que podamos imaginar. styleVISION es un programa polivalente que permite dividir espacios en todo tipo de edificación, tanto de oficinas, hoteles, hospitales, colegios, aeropuertos...

Características del sistema:
Espesor: 100mm.
Vidrios: De 6mm. a 12mm.
Ciegos: de 10mm. a 12mm.
Acristalamiento: Sencillo y Doble.
Marcos: Continuo y enmarcado.
Acústica: Hasta 49dB-ISO717
Resitencia: 350Kn/m2.
Hmax: 4000mm.
Modulación económica: 1200mm.
Holgura: +/-30mm.
Desontabilidad = 100%
Reutilizable = 100%

Mampara Stylevision con doble vidrio laminar

Mamparas oficina de 100mm: styleVISION

En este apartado encontraras toda la información técnica de las mamparas de oficina que necesitas para entender las múltiples soluciones que aporta el sistema styleVISION a sus espacios.

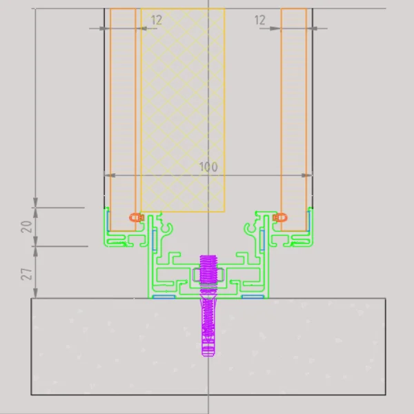
Encuentros de mamparas oficina en paredes y techos.

styleVISION dispone de dos formas de fijarse a los techos y pisos; una con perfil de regulación que nos permite salvar mayores diferencias de alturas +/-30mm. y otra con anclaje directo. +/-12mm., lógicamente de la elección de la solución dependerá el desmontaje y su posible reutilización de las paredes divisorias en las diferentes áreas del espacio, así como el estilo visual deseado. Los perfiles están equipados de tesamol para garantizar el contacto con las superficies.

styleVISION Sección Vertical CoronaciónstyleVISION Sección Vertical Coronación

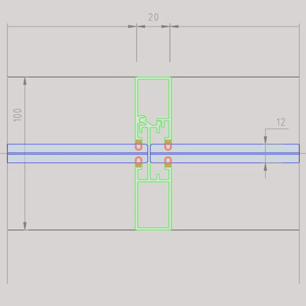
Encuentros verticales entre módulos de mamparas oficina.

styleVISION tiene la posibilidad de unir cristales a hueso o enmarcados de vidrio templado, laminar, acústicos etc. con perfilería de 20mm. Así se consiguen paredes de vidrio 100% libres de perfiles o construir la misma pared realizando cuadrículas, cortar la pared de vidrio en zonas estratégicas del diseño, salvar muros que arremeten contra la pared de manera perpendicular.
Todos los acabados se reciben al aluminio con material acústico.

styleVISION Sección Vertical CoronaciónstyleVISION Sección Vertical Coronación

Encuentros horizontales entre módulos de mamparas oficina.

styleVISION es capaz de replicar la solución vertical en las horizontales pudiendo conseguir retículas con proporciones perfectas, gracias al sistema de fijación de las ventanas, estas se pueden regular a la altura deseada y en la cantidad de travesaños que se precisen, también se pueden romper las proporciones para conseguir efectos de visualización caóticas, inclinadas, curvadas...
Todos los acabados se reciben al aluminio con material acústico.

styleVISION Sección Vertical CoronaciónstyleVISION Sección Vertical Coronación

Sistemas de un vidrio en mamparas oficina.

styleVISION soporta sistemas de vidrio sencillo que van desde los 10mm a los 12mm. de espesor, de vidrio templado, vidrio laminado, cristales acústicos… con la posibilidad de presentarlo tanto en el centro del sistema como en un lateral de la pared para conseguir planitudes exteriores como interiores. Así en el mismo proyecto se pueden conseguir diferentes efectos de continuidad o escalamiento de los vidrios sobre las mamparas divisorias.

styleVISION Sección Vertical CoronaciónstyleVISION Sección Vertical Coronación

Sistemas de doble vidrio en mamparas oficina.

styleVISION esta es la tendencia del nuevo concepto de despacho alcanzando niveles acústicos y térmicos máximos por medio del doble acristalamiento y la cámara resultante pudiendo jugar con diferentes espesores (6mm, 8mm, 10mm. y 12mm.), tipos (recocido, laminado, templado, acústico...) y diferentes acabados de cristal (transparentes, tintados, pintados…) para alcanzar el aislamiento y la proyección deseada y requerida en la pared.

styleVISION Sección Vertical CoronaciónstyleVISION Sección Vertical Coronación

Sistemas ciegos y mixtos de mampara oficina.

styleVISION completa su enorme poder de transformación con la capacidad de ser ciego con doble paneles de melamina, estratificado, vinilo, tela, madera natural barnizada… siendo 100% compatible con las diferentes configuraciones de 1 vidrio y 2 vidrios e intercambiables entre ellos. Se puede intercalar entre vidrios, hacer alzados independientes… como dijimos en la presentación les invitamos a jugar a "Lego" y a retarnos con su imaginación.

styleVISION Sección Vertical CoronaciónstyleVISION Sección Vertical Coronación
Mamparas oficina Stylevision 3D

Ejemplos de alzados de mamparas oficina con styleVISION:

Estos son algunos de los ejemplos de modulación que se pueden realizar con el sistema de mamparas oficina styleVISION:

styleVISION Sección Vertical Coronación
styleVISION mamparas divisorias de vidrio y opacas desmontales de 100mm. styleSPACE mamparas divisorias de cristal y opacas desmontales de 50mm. styleSMARTmamparas divisorias de cristal y opacas estructural desmontales de 100M styleGLASS sistema de mamparas divisorias de vidrio de 50mm. styleDOOR sistema de puertas abatibles, correderas, pivotantes de 100mm. y 50mm. styleMOVE sistema de muros móviles y tabiques móviles